1、全系列油浸式變速箱,力矩大,壽命長;
2、帶電磁剎車裝置,門停止位置準確;
3、內置式防蝸輪失效保險裝置,使用更安全;
4、具有熱保護功能,安全可靠;
5、安全防護等級達到IP54;
6、低溫潤滑油確保機器可在寒區工作;
7、可接紅外、地感、安全氣囊等多種防護裝置;
8、預留小門接口,實現互鎖功能;
9、在停電或維修時可使用手拉鏈開關門;
10、具有自動關門,電機延時保護,開優先等功能。
| 型號 | KG500S | 
| 輸入電壓 | 380V/50Hz | 
| 輸出轉速 | 12rpm | 
| 輸出扭矩 | 500N.m | 
| 電機轉速 | 720rpm | 
| 電機功率 | 1500W | 
| 熱保護溫度 | 120℃ | 
| 連續工作時間 | 10min | 
| 工作環境溫度 | -20℃~+50℃(-40℃可定制) | 
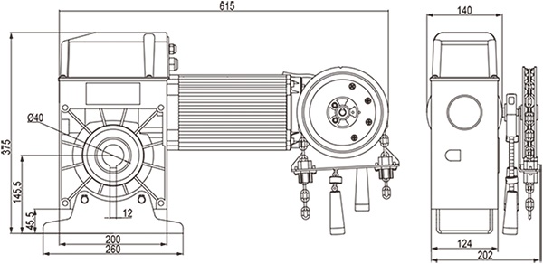
| 輸出軸孔徑 | φ40mm | 
| 平鍵尺寸 | 12×8×100mm | 
| 主機質量 | 35kg | 
| 外形尺寸(mm) | 1665×375×210 | 
| 最大限位圈數 | 18cycles | 
| 建議適用范圍 | 工業門:<18m2;卷門:<500kg | 
